Ricambi cassetta wc Thetford C500
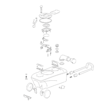
Con riferimento all'immagine allegata è possibile ordinare tutti i ricambi della Cassetta Thetford C500
Istruzioni: selezionare dal menù a tendina il numero corrispondente al particolare indicato nello schema allegato in foto.
| Posizione | Prodotto |
|---|---|
| 1 | Saracinesca per cassetta C400 |
| 2 | Kit Apertura Scarico + Rondella |
| 3 | Meccanismo Completo Sx C400 |
| 3 | Meccanismo Completo Dx C400 |
| 5 | Sfiato Automatico Thetford per C2/C3/C4/C200 - 2372274 |
| 6 | Braccio Di Scarico |
| 7 | Tappo Dosatore |
| 10 | Staffa Bloccaggio Cassetta |
| 11 | Ruota Con Scarico per C400/C500 Thetford - 32308 |
| 12 | Bottone Sfiato Verde per C400/C500 Thetford - 32307 |
| 13 | Supporto Piattello Cassetta Dx |
| 14 | Guarnizione Meccanismo per C250/260/400/500 |
| 15 | Guarnizione Di Scarico Dopo Il 15/06/2000 |
| 16 | Disco Interno Cassetta Thetford C220/250/260/400/500 - 50731 |
| 17 | Supporto Piattello Cassetta Sx |
N.B. Alcuni ricambi sono soggetti a variazione di disponibilità, e pertanto sono reperibili solo su ordinazione.
Si consiglia di contattare l'assistenza clienti per verificare l'effettiva disponibilità dei prodotti al momento dell'ordine.


















